Bouw zelf een nauwkeurige kalibrator: -10 V tot +10 V, 0 tot 40 mA, 0,001%
op
Bij het repareren of afregelen van elektronische schakelingen kunt u een nauwkeurige spannings- of stroomreferentie nodig hebben. De kalibrator die we hier presenteren, genereert nauwkeurige spanningen van -10 V tot +10 V in stappen van 20 µV en nauwkeurige stromen van 0 tot 40 mA in stappen van 100 nA voor het testen van uw schakelingen of als referentiebron voor apparatuur zoals multimeters en oscilloscopen.
Calibrator-project
Ik had een defecte oscilloscoop gekocht op eBay. Ik wilde die gaan repareren en kalibreren, maar daar had ik referentiespanningen en -stromen voor nodig. Normaal gesproken zijn er kalibratiebronnen nodig van 1,000 V of 10,000 mA. Maar voor deze oscilloscoop waren volgens de kalibratieprocedures van de fabrikant, heel specifieke spanning- en stroomreferenties nodig: +1,7694 V, -1,7694 V en 20,253mA. Er zijn veel ijkinstrumenten verkrijgbaar op de markt, maar die zijn veel te duur voor mij, of ze hebben niet de vereiste resolutie en nauwkeurigheid. Daarom besloot ik om er zelf een te bouwen.

De Hardware
Het ontwerp bestaat uit zes blokken:
- Voeding
- Referentiespanning
- DAC rondom de AD5791
- Stroomgenerator
- Mens Machine Interface (MMI) met microcontroller
- Verwarming voor het stabiliseren van de spanningsreferentie
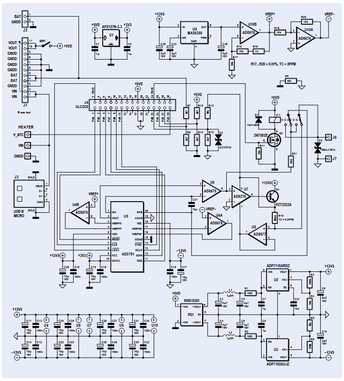
Het schema van de eerste vijf blokken samen is te zien in figuur 1. Op de verwarming komen we nog terug.
De MMI-module zorgt voor de gebruikersinterface en bestuurt de kalibrator door het instellen van de gewenste uitgangsspanning van de DAC. Die spanning wordt ook door de stroomgenerator vertaald in een uitgangsstroom. De MMI bestuurt via FET Q1 het relais K1, dat de uitgangen J6 en J7 omschakelt tussen spannings- en stroomreferentie. De nauwkeurigheid wordt vooral bepaald door de spanningsreferentie.
De voeding
De kalibrator wordt gevoed met een USB-netspanningsadapter die minimaal 500 mA kan leveren. De 5 V wordt verdeeld over drie aparte takken. De eerste voedt rechtstreeks de MMI met de microcontroller. De tweede voedt U1, een 3,3V-LDO voor de digitale voeding van de DAC (U5 en omringende componenten). De derde tak gaat naar PS1: Dit is een galvanisch gescheiden, symmetrische DC/DC-converter die +15 V en -15 V levert. Deze outputs worden gefilterd en voeden twee lineaire regelaars (U2 en U3). Dit zijn beide low drop out / low noise types. Hun outputs van +13,5 V en -13,5 V worden gebruikt voor de uitgangstrappen van de DAC-schakeling.
De spanningsreferentie
Dit is het belangrijkste en meest kritieke element in dit project. Als we een referentiespanning van 10,00000 V met een nauwkeurigheid van +/- 10 µV willen, zouden we ook willen dat die spanningsnauwkeurigheid voor eeuwig gehandhaafd blijft; maar in de echte wereld is dat niet mogelijk. Het ontwerpen van nauwkeurige, stabiele spanningsreferenties is een wetenschap op zich. Op het internet staan tientallen artikelen van specialisten die dit onderwerp bespreken en proberen de grenzen te verleggen op het gebied van: ruis, stabiliteit in ppm/°C op korte en lange termijn, hysterese, thermo-elektrische EMK, piëzo-elektrische effecten enz.a>Zoek met uw favoriete zoekmachine maar eens naar “Rolls of voltage references”: de LTZ1000 met een drift van slechts 0,05 ppm/°C . Sommige auteurs hebben spanningsreferenties geproduceerd met verbazend mooie printen en weerstanden met een zeer lage temperatuurcoëfficiënt in met olie gevulde metalen behuizingen.
Na het testen van drie redelijk betaalbare spanningsreferenties (LTC6655, ADR445, MAX6350ESA) koos ik voor de MAX6350ESA van Maxim. Die bleek het meest stabiel in de tijd en levert een spanning van 5 V. Met de beide opamps U10A&B in de AD8676 (dual low noise, low offset drift opamp) worden spanningen van +10,48 V en -10,48 V geproduceerd (VREF+ en VREF-). De weerstanden R16, R17, R18, R19, R20 rondom de AD8676 zijn weerstanden met een lage temperatuurdrift (beter dan 2 ppm/°C).
De DAC rondom de AD5791
Als DAC heb ik gekozen voor een AD5791 met een resolutie van 20 bit en een lineariteit van 1 ppm. Die lineariteit vereenvoudigt de kalibratie: we hoeven alleen af te regelen op 0 V en 10 V. Het schema rondom de AD5791 maakt gebruik van dezelfde componenten als de evaluatiekaart van Analog Devices voor deze DAC . In mijn ontwerp heeft de DAC referentiespanningen van +10,48 V en -10,48 V, wat stappen van ongeveer 20 µV oplevert. De uitgangsspanning is te berekenen met:

Of ongeveer:
De uitgangsspanning wordt door de software beperkt tussen -10 V en +10 V. Dat geeft veel ruimte om de offset-fout bij 0 V te compenseren.
De referentiestroombron
De vier belangrijkste componenten van de referentiestroombron zijn U7 (AD8276 instrumentatieversterker), Q1 (NPN-transistor PZT1222), U8 (AD8677 precisieversterker) en R10 (100 Ω). Q1 levert de stroom aan de belasting. Die stroom loopt door R10 (shuntweerstand) en het relais en gaat dan via de belasting uiteindelijk terug naar massa. De spanning over R10 wordt gemeten door U8 en U7 en vergeleken met de referentiespanning van de DAC AD5791. De uitgangsstroom is gelijk aan VDAC / R10, or VDAC / 100. De stroom wordt door de software beperkt tot 40 mA om temperatuurdrift in R10 en Q1 te voorkomen. De temperatuurcoëfficiënt van weerstand R10 is kritiek en moet beperkt blijven tot 0,2 ppm/°C. Daarom zit Q1 zo ver mogelijk weg van R10 en van de referentiespanningen op de print.
De MMI met de microcontroller
Dit onderdeel is een gen4-uLCD35-DT-module van 4D Systems, met onder meer een 3,5” kleurenscherm met resistieve aanraaksensor, een microcontroller en een microSD-kaarthouder in één module. De 4D Workshop 4-IDE is gratis en bevat de bibliotheken voor de aanraakfunctie van dit project (zie figuur 2). De code is geschreven in een vereenvoudigde vorm van C. De Grafische UserInterface (GUI) is als volgt opgebouwd: De knoppen en digits zijn als afbeeldingen opgeslagen op de microSD-kaart. Elke afbeelding heeft vaste coördinaten op het scherm. Als het scherm wordt aangeraakt, wordt een interrupt gegenereerd die bepaalt welk pictogram is aangeraakt en de operaties triggert die bij deze “button” horen.
Verwarmen van de spanningsreferentie
De drift van de uitgangsspanning als functie van de temperatuur wordt gemeten in ppm/°C. Bij een uitgangsspanning van 10 V, komt 1 ppm overeen met een spanningsdrift van 10 µV. De kamertemperatuur in mijn laboratorium varieert ruwweg van 15°C tot 25°C, dus als de output een temperatuurcoëfficiënt van 2,5 ppm/°C heeft, kan de uitgangsspanning maximaal 250 µV veranderen in dit temperatuurbereik. Ik heb een zelfgebouwde thermische kamer met een temperatuurregelaar gebruikt om deze coëfficiënt te bepalen.
Toen vroeg ik me af, of ik de temperatuurcoëfficiënt zou kunnen verbeteren als ik de spanningsreferentie zou verwarmen. Ik koos een setpoint van 55°C, veel hoger dan de normale omgevingstemperatuur. Ik bouwde een verwarming met temperatuurregeling op een klein printje en lijmde die op de onderkant van de referentieschakeling. Daarna zette ik de kalibrator opnieuw in mijn thermische kamer en stelde hem bloot aan een vijf uur durende temperatuurcyclus van 15°C tot 40°C. Ik mat een drift van de uitgangsspanning van 26 µV, dus een temperatuurcoëfficiënt van minder dan 0,2 ppm/°C. Dat is vijf keer beter dan zonder verwarming!
Ik heb een 3D-geprinte “oven” ontworpen om de verwarming af te dekken en de temperatuur van de verwarming en de spanningsreferentie te stabiliseren. De 3D-ontwerpfiles zijn ook te vinden op de Elektor Labs-pagina .
Het schema van de verwarmingsbesturing is te zien in figuur 3. De NTC (TH1) wordt geplaatst op de onderkant van de print in figuur 4 en moet worden uitgelijnd en vast gelijmd onder de spanningsreferentie U9 op de hoofdprint.
De opbouw
De KiCad-ontwerpfiles, de Gerber- en boorfiles voor het bestellen van de hoofdprint en de verwarmingsprint, en de onderdelenlijsten voor beide printen zijn te downloaden van de Elektor Labs-pagina voor dit project . Ook de software voor het programmeren van de MMI-module is daar te downloaden.
Het project is ontworpen om te passen in de Hammond-behuizing in de onderdelenlijst. Hoewel solderen van SMD’s niet gemakkelijk is voor onervaren makers, moet het toch lukken om de printen te bouwen met een kleine soldeerbout.
Accuvoeding
De print is ontworpen om te worden gebruikt met een Chinese acculaadmodule (DDO4CVSA) van de fabrikant Eletechsup en een 4,1V-lithiumaccu, maar na wat testen heb ik besloten om die niet te gebruiken in mijn uiteindelijke ontwerp omdat hij volgens mij teveel warmte afgaf. Als u het toch wilt proberen, dan bent u alvast gewaarschuwd. Let op: Vin en Vout op J1 moeten met elkaar worden verbonden als deze module niet wordt gebruikt!
Programmeren van de uLCD35-module
Deze kalibrator werkt niet zonder software. Alle files die u nodig hebt zijn te downloaden van de Elektor Labs-pagina [1]. Koop voor de MMI-module de SK-35DT-AR Starter Kit van 4D Systems. Deze bevat het aanraakscherm, een 4 GB microSD-kaart en een interface voor het programmeren van de module. De kit is te koop bij Digikey (1613-1050-ND) en bij RS-Components (841-7790).
U moet ook de 4D systeem-IDE downloaden en installeren. Deze is gratis te downloaden bij.
Als u de MMI-module gaat programmeren, zorg dan eerst dat de microSD-kaart FAT geformatteerd is, dus niet FAT32! Download Software.ZIP en USD_FILES.ZIP van [1] en pak ze uit naar mappen op uw computer. Kopieer alle files uit USD_FILES naar de microSD-kaart en steek die in de MMI-module. Sluit de programmeerinterface aan op de 10-polige header op de module en op een USB-poort op uw computer. Open de Program Loader-applicatie (figuur 5) van de 4D system-IDE, kies de COM-poort van de programmeerinterface, kies Flash als bestemming, laad het bestand calibrator.4XE en klik op OK. Als het programma is geladen geeft de module alle knoppen en wielen weer.
Opmerking: De broncode staat in het bestand calibrator.4Dg; al het commentaar is in het Frans. U kunt de code bekijken en aanpassen met de IDE.
Kalibratie
Zoals elke referentiespanningsbron moet de MAX6350 eerst worden verouderd voor stabiliteit op de lange termijn. Ik heb gekozen voor 1000 uur bij kamertemperatuur. Na 41 dagen (ongeveer 1000 uur) was de referentiebron stabiel bij 4,99994 V, en de twee referenties van 10,50050 V en -10,49867 V, zijn stabiel op ongeveer 10 µV.
Dan is een multimeter met minimaal 6,5 cijfers nodig voor de kalibratie. Ik gebruikte mijn Agilent 34410A. Door de knop Sign op de MMI 8 seconden ingedrukt te houden, worden alle kalibratieparameters die eerder zijn opgeslagen gewist.
Kalibreren van de uitgangsspanning
Kies eerst de spanningsmodus door op Volt/mA te drukken. Houd dan de knop 000 5 seconden vast om de kalibratie te starten, er klinkt dan een piep en de tekst calibration mode verschijnt op het display. Gebruik de knoppen “+” en “-“ de encoderwielen om 0 V +/- 15 µV op de multimeter te krijgen, wacht ongeveer 10 seconden om de waarde zich te laten stabiliseren. Als u nu op 000 drukt, verschijnt 2 seconden de tekst cal stored, daarna geven de encoderwielen 10.00000 weer. Gebruik weer de encoderwielen om een waarde te kiezen die 10,00000 V +/- 15 µV op de multimeter oplevert.
Kalibreren van de uitgangsstroom
Kies eerst de stroommodus door op Volt/mA te drukken. Houd dan de knop 000 5 seconden vast om de kalibratie te starten, er klinkt dan een piep en de tekst calibration mode verschijnt op het display. De encoderwielen geven nu 00,0100 mA weer. Gebruik de knoppen “+” en ”-“ van de encoderwielen om een waarde te kiezen die 10 µA +/- 100 nA op de multimeter oplevert. Als u nu op 000 drukt, verschijnt 2 seconden de tekst cal stored, daarna geven de encoderwielen 30,0000 weer. Gebruik dan de encoderwielen om een waarde te kiezen die 30 mA +/- 10 nA oplevert.
Gebruik
Het GUI-aanraakscherm bestaat uit een aantal encoderwielen en drie drukknoppen. De +/- knoppen van de encoderwielen selecteren de uitgangsspanning. De knop Sign keert de polariteit van de uitgangsspanning om. In stroommodus is deze knop niet actief. De knop Volt/mA selecteert de outputmodus (spanning of stroom) en de knop 000 zet de output terug naar 0 V of 0 mA.
Een nuttig instrument
De totale kosten voor het bouwen van dit super nauwkeurige spanning- en stroomijkinstrument zijn ca. €300/$350, wat een heel mooie prijs is voor dit apparaat. Natuurlijk hebt u ook een nauwkeurige, goed gekalibreerde multimeter nodig voor de afregeling; dat kan een probleem zijn, maar de meesten van ons zullen toch wel op de één of andere manier toegang hebben tot zo’n apparaat. Deze kalibrator zal zeker een waardevolle aanwinst zijn voor uw laboratorium voor het testen en afregelen van allerlei elektronische schakelingen, apparaten en meetinstrumenten.
Note de la rédaction : cet article (210208-01) a été publié dans Elektor novembre/décembre 2021. Il s'inspire du projet présenté par Vincent Gautier sur la plateforme Elektor Labs,où vous trouverez des informations plus détaillées sur son calibrateur, notamment tous les logiciels, les circuits imprimés, les nomenclatures et les fichiers pour imprimante 3D, que vous pouvez également télécharger. Une vidéo présentant ce projet est disponible ici.
Vragen of opmerkingen?
Als u vragen of opmerkingen hebt over dit artikel, neem dan contact op met de redacteur via luc.lemmens@elektor.com.

Discussie (0 opmerking(en))