Bass Boost, Korrekturverstärker
This is a small correction amp to improve the frequency response of a small speaker at the lower end.
Bass Boost
Im Moment geht der Trend zu kleineren Lautsprecher Boxen. Damit einher geht dass die untere Grenzfrequenz des Bass Lautsprechers nach oben verschoben wird. Dies lässt sich in Grenzen korrigieren in dem man die unteren Signalfrequenzen entsprechend anhebt, passend zum Frequenzgang des Lautsprechers. Der Abfall des Lautsprecher Frequenzganges wird kompensiert. Damit kann man ein „paar“ Hz gewinnen, allerdings auch keine Wunder vollbringen.
Hier wird eine Schaltung vorgestellt, die in einem kleinen externen Gehäuse untergebracht ist, inklusive der Stromversorgung. Sie wird in den Signalweg des Verstärkers eingeschleift entweder an die Buchsen an denen man einen Equalizer anschließen kann, die „Tape“ Anschlüsse (falls noch vorhanden) oder zwischen CD Player und Verstärker.
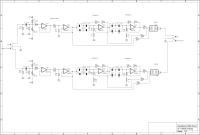
Bild 1 zeigt den Schaltplan des Signalweges, Bild 2 die Stromversorgung und Bild 3 das Layout:
Nach der Eingangsbeschaltung aus R1, C1, R2 und den Schutzdioden D1 und D2 buffert IC1A das Signal. C1 eliminiert eventuell vorhandene DC Anteile, R2 stellt den Mittelwert auf 0 V.
Zwischen dem Ausgang von IC1A und dem Eingang von IC2A kann man mit R4 und R5 das Signal abschwächen. In den nachfolgenden Stufen werden die tiefen Frequenzen stark angehoben, der Teiler soll eine mögliche Übersteuerung verhindern.
Da ich persönlich Musik eher leise genieße nutze ich den Teiler auch um die Lautstärkeeinstellung des Verstärkers im unteren Bereich feinfühliger zu machen.
Nun folgt die Signalanhebung der untersten Frequenzen durch die Schaltung um IC3A und IC4A. Es ist eigentlich ein Hochpass 4. Ordnung, allerdings so dimensioniert, das die Frequenzen um die Grenzfrequenz herum angehoben werden. Wie man sieht werden in beiden Stufen die gleichen Kondensator Werte benutzt. Dies vereinfacht die Bauteilbeschaffung, zum Beispiel wenn man die Grenzfrequenz auf seine Lautsprecher hin anpassen möchte. Es können „through hole“ Folienkondensatoren als auch SMD Kondensatoren (von unten) bestückt werden.
Mit dem Jumper JP1 kann man auswählen ob man das unveränderte Signal, das nach der ersten oder zweiten Filterstufe benutzen möchte. Dies halte ich in der Erprobungsphase für geschickt.
Bild 4 zeigt die Frequenzgänge der ersten Filterstufe und der Gesamtschaltung mit der im Schaltplan angegebenen Dimensionierung.
Ein paar Worte zur Dimensionierung:
Mit den Kondensatoren wird die Grenzfrequenz grob eingestellt. Mit den Widerstandswerten kann man eine Feineinstellung vornehmen. Dazu sind jeweils zwei Widerstände in Reihe geschaltet.
Im Bild 5 ist die Simulation mit verschiedenen Kondensator Werten (1 uF und 820 nF) zu sehen.
Mit den Verhältnis von (R6 + R7) zu (R8 + R9) wird die Anhebung eingestellt, allerdings verändert sich damit auch die Grenzfrequenz. Daher ist es empfehlenswert zunächst die Anhebung auf den gewünschten Wert einzustellen und dann die Frequenz mit den Kondensatoren, siehe Bild 6
Eine Simulation ist dafür äußerst hilfreich. Das File für Simetrix stelle ich gerne auf Anfrage zur Verfügung.
Die Stromversorgung besteht aus einem Printtrafo, Gleichrichter, Elkos und einstellbaren Spannungsreglern. Eine LED auf der Frontplatte zeigt die Betriebsbereitschaft an.
An den ICs gibt es Abblock Kondensatoren von 100 nF, dazwischen Tantalelkos von 22 uF.
Teilweise kann man sie als Bauform B oder D bestücken.
Es ist auf hinreichende Spannungsfestigkeit zu achten.
Auf der Netzseite ist eine Sicherung und ein Schalter auf der Frontplatte vorgesehen.
Wird die Schaltung wie bei mir über den Verstärker eingeschaltet so kann man den Netzschalter weglassen und brücken.
Auf der Netzseite ist eine Sicherung und ein Schalter auf der Frontplatte vorgesehen.
Wird die Schaltung wie bei mir über den Verstärker eingeschaltet so kann man den Netzschalter weglassen und brücken.
Wer Angst vor Brummeinstreuungen durch den Trafo befürchtet kann ihn, den Gleichrichter und die Ladeelkos und am besten auch die Spannungsregler auslagern.
Die Platine passt in ein Gehäuse von Teko (012).
Die Ein- und Ausgänge sind als Viererblock RCA Buchsen ausgeführt.
Update 18.02.26:
Die Platinen sind angekommen und ich habe eine bestückt und gemessen. Anbei Fotos und Messungen mit meinem QA403.
Bei Interesse an einer Leerplatine bitte bei mir melden. alfred_rosenkraenzer@gmx.de
Update 18.02.26:
Die Platinen sind angekommen und ich habe eine bestückt und gemessen. Anbei Fotos und Messungen mit meinem QA403.
Bei Interesse an einer Leerplatine bitte bei mir melden. alfred_rosenkraenzer@gmx.de

Discussie (0 opmerking(en))