Neue Version: Entbrummte Stromversorgung für Audio Endstufen
New Version: Power Supply for Audio Power Amps.
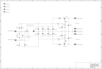
Gegenüber der alten Version habe ich folgendes geändert:
- Austausch der obsoleten Transistoren 2SK1058/2SJ162 gegen IRFP240/IRFP9240
- Die Erzeugung der Gate Spannungen hat nun einen eigenen Gleichrichter und Ladeelkos.
Damit hat man mehr Spannung für die Gates und damit sind höhere Ausgangsspannungen möglich.
Und noch weniger Brumm da der Strom durch die Z-Dioden konstanter ist.
- Es gibt nur noch zwei Z-Dioden pro Seite .
Zur Dimensionierung der Z-Dioden und damit der Ausgangsspannung:
Mit dem vorgesehenen Trafo, Gleichrichter und Ladeelkos misst man die untere Spannung des Sägezahns der Versorgungsspannung bei Volllast des Verstärkers. Davon zieht man etwa 1,5 V ab als Reserve für den FET. Dazu addiert man die Ugs des FET. Ein guter Startwert ist 3,5 V. Möchte man es genauer muss man den FET vermessen. Diesen Spannungswert teilt man nun auf die beiden Z-Dioden auf. Um die entstehende Verlustleistung möglichst gleichmäßig aufzuteilen sollten die beiden Z-Dioden möglichst gleiche Spannung haben. R2 und R3 dann so anpassen dass etwa 2 mA Strom durch die Z-Dioden fließt.
Beispiel: Die untere Spannung der positiven Spannung an C5, C7 und C9 sei bei Volllast 40 V. Davon zieht man 1,5 V ab als Reserve für den FET, also 38,5 V. Dazu addiert man die Ugs des FET von 3,5 V, also nun 42 V. Die teilt man in verfügbare Z-Dioden Werte auf. Zum Beispiel 20 und 22 V. (die gibt es mit 1 W bei Reichelt).
R2 sollte dann die Spannung an C3 dividiert durch 2 mA sein.
Reicht die Spannung an C3 nicht aus so bleibt nichts anderes übrig als die Ausgangsspannung zu verringern.
Kühlung:
Es sollte klar sein dass man T1, T2 und den Brückengleichrichter kühlen muss. Deshalb sitzen sie auf der Stirnseite der Platine.
Bitte den Schaltplan und das Layout überprüfen. (Im Schaltplan ist noch das falsche Schaltbild Symbol für den IRFP9240).
Bei Bedarf würde ich Platinen bestellen.
Meine EMail Adresse: alfred_rosenkraenzer@gmx.de
- Austausch der obsoleten Transistoren 2SK1058/2SJ162 gegen IRFP240/IRFP9240
- Die Erzeugung der Gate Spannungen hat nun einen eigenen Gleichrichter und Ladeelkos.
Damit hat man mehr Spannung für die Gates und damit sind höhere Ausgangsspannungen möglich.
Und noch weniger Brumm da der Strom durch die Z-Dioden konstanter ist.
- Es gibt nur noch zwei Z-Dioden pro Seite .
Zur Dimensionierung der Z-Dioden und damit der Ausgangsspannung:
Mit dem vorgesehenen Trafo, Gleichrichter und Ladeelkos misst man die untere Spannung des Sägezahns der Versorgungsspannung bei Volllast des Verstärkers. Davon zieht man etwa 1,5 V ab als Reserve für den FET. Dazu addiert man die Ugs des FET. Ein guter Startwert ist 3,5 V. Möchte man es genauer muss man den FET vermessen. Diesen Spannungswert teilt man nun auf die beiden Z-Dioden auf. Um die entstehende Verlustleistung möglichst gleichmäßig aufzuteilen sollten die beiden Z-Dioden möglichst gleiche Spannung haben. R2 und R3 dann so anpassen dass etwa 2 mA Strom durch die Z-Dioden fließt.
Beispiel: Die untere Spannung der positiven Spannung an C5, C7 und C9 sei bei Volllast 40 V. Davon zieht man 1,5 V ab als Reserve für den FET, also 38,5 V. Dazu addiert man die Ugs des FET von 3,5 V, also nun 42 V. Die teilt man in verfügbare Z-Dioden Werte auf. Zum Beispiel 20 und 22 V. (die gibt es mit 1 W bei Reichelt).
R2 sollte dann die Spannung an C3 dividiert durch 2 mA sein.
Reicht die Spannung an C3 nicht aus so bleibt nichts anderes übrig als die Ausgangsspannung zu verringern.
Kühlung:
Es sollte klar sein dass man T1, T2 und den Brückengleichrichter kühlen muss. Deshalb sitzen sie auf der Stirnseite der Platine.
Bitte den Schaltplan und das Layout überprüfen. (Im Schaltplan ist noch das falsche Schaltbild Symbol für den IRFP9240).
Bei Bedarf würde ich Platinen bestellen.
Meine EMail Adresse: alfred_rosenkraenzer@gmx.de

Discussie (0 opmerking(en))