Neon dobbelsteen
Dit Elektor-artikel verder lezen?
- Onbeperkt toegang tot Member Only artikelen
- 3 nieuwe edities van Elektor Magazine (digitaal)
- Meer dan 5000 Gerber-bestanden
- 20% ledenkorting op e-books (op elektor.nl)
- 10% ledenkorting op producten (op elektor.nl)
Stopt automatisch.
Wat is Alleen voor leden
Elektor zet zich in om hoogwaardige inhoud op het gebied van elektronica te bieden, waarmee tienduizenden betalende leden worden bediend. In het kader van deze inzet heeft Elektor de initiatief Premium gelanceerd, dat exclusieve online-artikelen voor leden aanbiedt, soms zelfs voordat ze in het magazine verschijnen.
Elke dag kunnen leden toegang krijgen tot diepgaande artikelen die het beste van Elektors premium-inhoud presenteren.
Dit initiatief heeft als doel leden te belonen met een vroegtijdige toegang. Zodra u bent ingelogd, kunt u moeiteloos genieten van deze exclusieve inhoud en deelnemen aan discussies over de voorgestelde projecten.
Terwijl Premium de beschikbare bronnen uitbreidt, zal Elektor blijven zorgen voor een overvloed aan gratis informatie.
Word vandaag nog lid van de Elektor-community om te profiteren van Premium en andere voordelen!
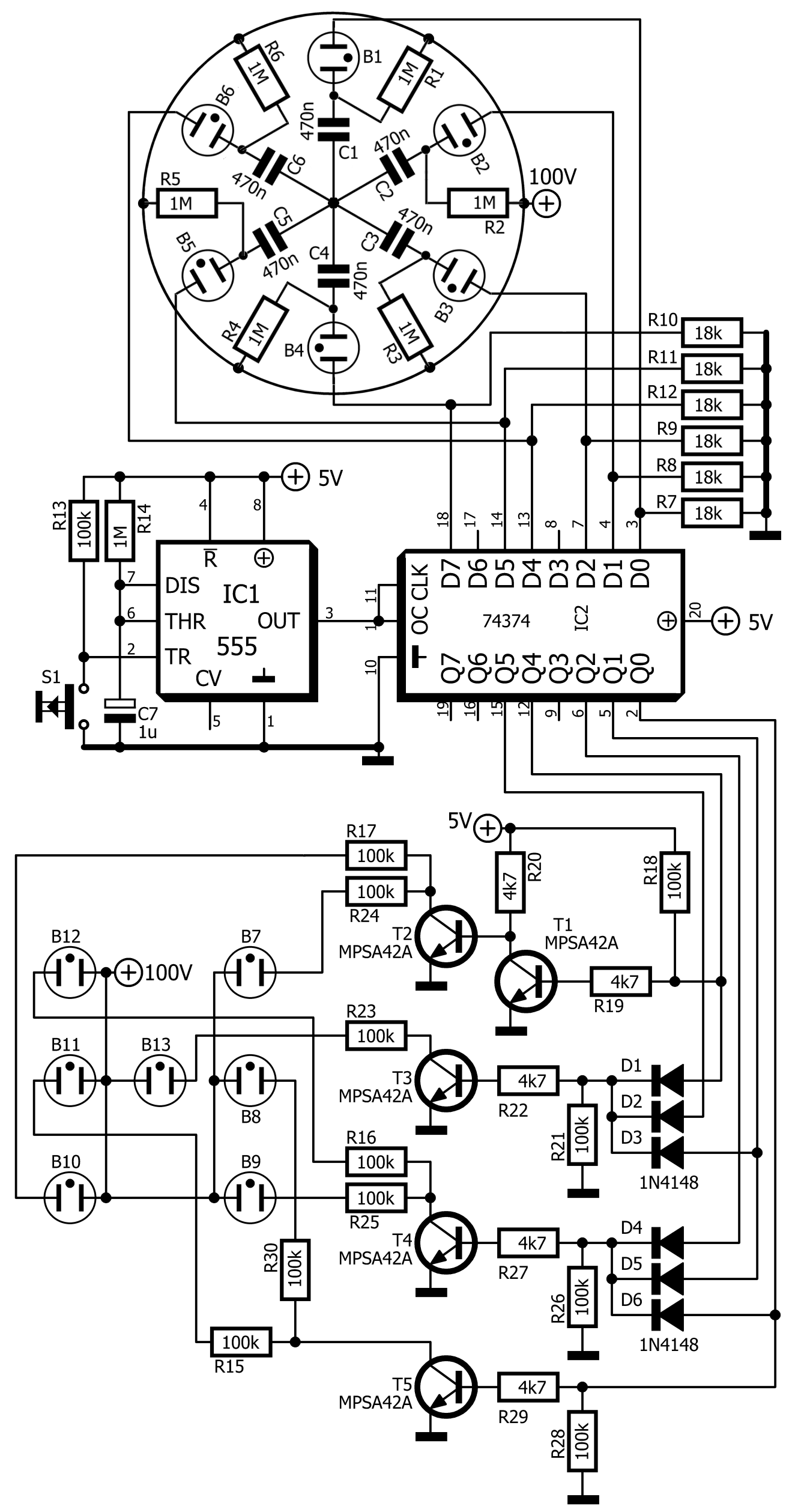
Onderdelenlijst
Onderdelenlijst
[250130-002-94]
[250130-003-94]
Weerstanden:
(through-hole, 150 V, 0,25 W)
R1...R6,R14 = 1 M
R7...R12 = 18 k
R13,R15...R18,R21,R23...R26,R28,R30,R33 = 100 k
R32,R34 = 1k2
R19,R20,R22,R27,R29 = 4k7
R31 = 1 Ω
Condensatoren:
C1...C6 = 470 n/50 V, steek 5 mm
C7,C9,C11,C12 = 1 µ/16 V, steek 2 mm
C8 = 470 p/50 V, steek 5 mm
C10 = 1 µ/150 V, steek 2,5 mm
Spoelen:
L1 = 470 µH
Halfgeleiders:
D1...D7 = 1N4148
D8 = STPS1150
IC1 = NE555
IC2 = 74HC374
IC3 = MC34063
IC4 = 78L05
T1...T5 = MPSA42
T6 = STQ2LN60K3-AP
Diversen:
K1 = PP3 9V batterijhouder
NE1...NE13 = neonlampje
S1 = druktoets, 12 x 12 mm
S2 = miniatuur-schuifschakelaar

Discussie (0 opmerking(en))