Relio v1.0 – Aanwezigheidsdetectie en afstandsbediening
Een smart controller met Matter-functionaliteit voor AC-apparaten
Dit Elektor-artikel verder lezen?
- Onbeperkt toegang tot Member Only artikelen
- 3 nieuwe edities van Elektor Magazine (digitaal)
- Meer dan 5000 Gerber-bestanden
- 20% ledenkorting op e-books (op elektor.nl)
- 10% ledenkorting op producten (op elektor.nl)
Stopt automatisch.
Wat is Alleen voor leden
Elektor zet zich in om hoogwaardige inhoud op het gebied van elektronica te bieden, waarmee tienduizenden betalende leden worden bediend. In het kader van deze inzet heeft Elektor de initiatief Premium gelanceerd, dat exclusieve online-artikelen voor leden aanbiedt, soms zelfs voordat ze in het magazine verschijnen.
Elke dag kunnen leden toegang krijgen tot diepgaande artikelen die het beste van Elektors premium-inhoud presenteren.
Dit initiatief heeft als doel leden te belonen met een vroegtijdige toegang. Zodra u bent ingelogd, kunt u moeiteloos genieten van deze exclusieve inhoud en deelnemen aan discussies over de voorgestelde projecten.
Terwijl Premium de beschikbare bronnen uitbreidt, zal Elektor blijven zorgen voor een overvloed aan gratis informatie.
Word vandaag nog lid van de Elektor-community om te profiteren van Premium en andere voordelen!
Materials
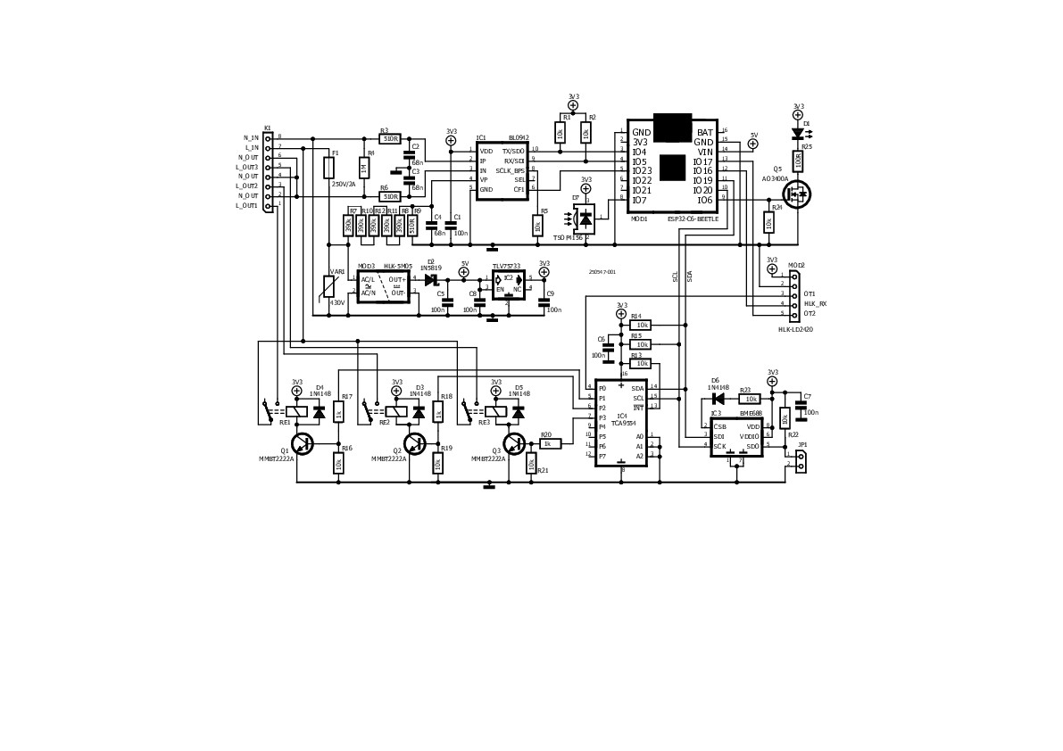
Onderdelenlijst
Componentenlijst
Weerstanden
R1, R2, R5, R13...R16, R19, R21...R24 = 10 kΩ
R3, R6, R9 = 510 Ω
R4 = 1 MΩ
R7, R8, R10...R12 = 390 kΩ
R17, R18, R20 = 1 kΩ
R25 = 100 Ω
Condensatoren
C1, C5 = 100 nF
C2, C3, C4 = 68 nF
C6, C7, C8, C9 = 0.1 µF
Halfgeleiders
D1 = TSAL4400
D2 = 1N5819HW-7-F
D3, D4, D5, D6 = 1N4148W
D7 = TSOP41xx
Q1, Q2, Q3 = MMBT2222A
Q5 = AO3400A
IC1 = BL0942
IC2 = TLV75733PDBVR
IC3 = BME688
IC4 = TCA9554DBQ
Modules en connectoren
K1 = TB001-500-08BE
MOD1 = Beetle ESP32-C6
MOD2 = HLK-LD2420
MOD3 = HLK-5M05
Relais
RE1, RE2, RE3 = G5LE-14 DC3
Overige componenten
F1 = 3403.0169.24
RV1 = TND10V-431KB00AAA0

Discussie (0 opmerking(en))