Elektor november/december 2025: Prototyping en Productie
Nu 2025 ten einde loopt, presenteren wij u de editie Prototyping en Productie van Elektor. In dit nummer vindt u een schat aan inspiratie en expertise uit onze wereldwijde gemeenschap. Van Saad Imtiaz’ essentiële ontwerptips voor printplaten tot Peter Dalmaris’ diepgaande bespreking van de nieuwste KiCad-functies – deze editie zit boordevol praktische inzichten. Veel leesplezier!
Terwijl 2025 ten einde loopt, presenteren wij met plezier de Prototyping en Productie-editie van Elektor. In dit nummer vind u volop inspiratie en expertise van onze wereldwijde community van inspirerende ingenieurs en makers. Van Saad Imtiaz’ onmisbare tips voor het ontwerpen van printplaten tot Peter Dalmaris’ uitgebreide uitleg over de nieuwste KiCad-functies: deze editie zit vol praktische inzichten en creatieve elektronica-projecten. Of u nu een professionele ingenieur bent die aan een nieuw product werkt of een maker die een creatief weekendproject oppakt, in dit nummer van uw favoriete magazine vindt u zeker handige tips en tricks. Veel leesplezier!
Nu verkrijgbaar!
IN DE ELEKTOR NOVEMBER/DECEMBER 2025
Bent u op zoek naar boeiende technische tutorials en creatieve elektronica-projecten? Dan zit u goed. Deze Prototyping & Productie editie behandelt allerlei onderwerpen, zoals praktische soldeertips, oplossingen voor schakeling-prototyping en circulariteit in elektronica.
Inhoudsopgave: nov/dec 2025
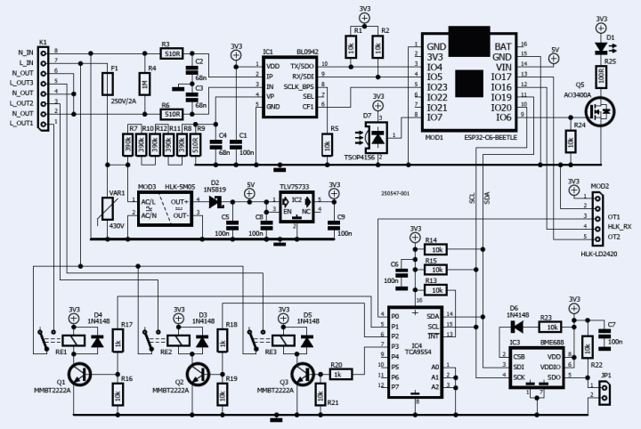
Relio v1.0 — Aanwezigheidsdetectie en afstandsbediening
Precieze pico-ampèremeter met curve-tracer-functionaliteit
Beter printontwerp: een praktische gids voor professionals en makers
KiCad 9: Nieuwe en verbeterde functies
100 mV continuïteitstester
Relio-schakeling
Soldeertechnieken in 2025: Praktische tips direct vanaf de werkbank
SimulIDE: Alles-in-één-tool voor schakeling-prototyping
Wordy Christmas Tree: Een feestelijk elektronica-project met een taaltwist
Analoge pipeline-vervorming: Een gaaf audio-effect voor gitaren en andere instrumenten
ESP32-audio-zendontvanger print (deel 3): Stereo-overdracht en dual-radio
ESP32-audio-zendontvanger print (deel 3)
Wie zijn de koplopers in Europese elektronica? Bedrijven om in de gaten te houden
productronica 2025: Wat is nieuw in elektronica-ontwikkeling en productie
Automatisering om reshoring, invoertarieven en personeelstekorten aan te pakken
Voorbij future-proof: Circulariteit in elektronica
Passieve componenten: Laagverlies-inductors voor efficiënte DC/DC-converters
2025: Een AI-odyssee: van automatisch aanvullen tot collega
Kerstster 2025: Een ster wordt gesoldeerd
MEER PROTOTYPING EN PRODUCTIE
Elektor is dé bron voor prototyping & productie-gerelateerde content. Elektor Gold en Green Leden kunnen zich hier het hele jaar in verdiepen! Leden hebben volledige toegang tot de online bibliotheek van Elektor, plus 10% korting op veel producten in de Elektor Store. Ook plaatsen we de gratis Bonus-editie die bij dit magazine hoort op onze Prototyping & Productie-pagina.
Discussie (0 opmerking(en))