Tegenwoordig zijn deurcamera’s en communicatiesystemen die op de smartphone zijn aangesloten alomtegenwoordig. In 2016 was dat echter nog niet het geval. Hier vindt u een doe-het-zelf slimme deurbel voor ingenieurs en elektronicaliefhebbers.
Met een Raspberry Pi, een Raspberry Pi-camera en een RPi GSM HAT-bord bouwde het Elektor Lab-team een slimme deurbel die een foto maakt van een bezoeker op het moment dat diegene op de knop drukt. De afbeelding wordt direct via MMS naar een smartphone gestuurd, zodat u in realtime kunt zien wie er voor de deur staat.
Het systeem zorgt er ook voor dat u uw deurbel kunt bellen. Het GSM-module neemt automatisch op. Na één keer overgaan kunt u via de ingebouwde microfoon en luidspreker met een bezoeker praten. U kunt ook een sms met een wachtwoord sturen om een elektrische deuropener te activeren. Voor extra veiligheid controleert het systeem het mobiele nummer van de afzender om te garanderen dat het commando echt van uw smartphone komt.
De schakeling
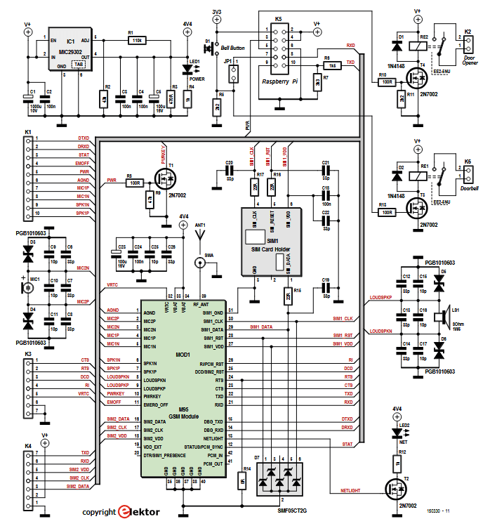
Zie het schema hiernaast. De kern van de schakeling is een M95 GSM-module MOD1 met antenne en SIM-kaarthouder SIM1. De weerstanden (R15-R17), de diodenarray (D7) en de condensatoren (C19-C22) zorgen voor onderdrukking van storingen en ESD-bescherming voor de SIM-kaartinterface.
De belangrijkste onderdelen in deze schakeling zijn het M95 GSM-module en de SIM-kaarthouder.
"Hetzelfde geldt voor de condensatoren C6 tot en met C17 en D3 tot en met D6 voor de microfooningang en de audioversterker-uitgang van de M95," aldus Elektor-ingenieur Luc Lemmens. "De M95 is verbonden met de Raspberry Pi (K5) via de USART, en alle communicatie gebeurt via AT-commando’s. De spanningsdeler R6/R7 past het TxD-signaal aan naar het 3,3 V digitale ingangsniveau van de Raspberry Pi."
De printplaat is gemonteerd met afstandsbussen.
Deurbel aansturen
Om de deurbel te besturen, moet u de Python-bibliotheken installeren om het Python-script uit te voeren. Dit is te vinden op de downloadpagina van het artikel als MMSautoSend.py. Bovenaan het script staat een blok met constante definities:
ThisNumber: Het mobiele nummer van de SIM-kaart voor het M95
ThatNumber: Het nummer van de smartphone waar het MMS-bericht naartoe gestuurd moet worden
Instellingen voor het gebruiken van de MMS-dienst van de provider van de SIM-kaart voor het GSM-module, namelijk: APN: Access Point Name
MMSC: Multimedia Messaging Service Center
MMSproxy: Multimedia Messaging Service proxyserver
MMSport: Multimedia Messaging Service poortnummer
Installatie en instellen
Lemmens raadde aan om het beste alleen de drukknop, de camera, microfoon en speaker buiten te plaatsen en de rest van de elektronica binnen te houden.
"In het script zijn er een paar parameters om de camera te configureren, vooral de oriëntatie en helderheid kunnen afhankelijk van de omgeving waarin de camera geplaatst wordt aangepast moeten worden," legt hij uit. "De resolutie heeft alleen invloed op de kwaliteit van de foto. Houd deze zo laag mogelijk, zodat het JPEG-bestand dat verstuurd moet worden — en daarmee de verzendtijd — binnen de perken blijft. Tijdens het testen van deze instellingen is het handig om het versturen van MMS-berichten in het script uit te zetten en gewoon het afbeeldingsbestand (test1.jpg) op de RPi te bekijken om de kwaliteit te beoordelen."
Slimme deurbel: Communiceer met een bezoeker via uw smartphone.
Het slimme deurbel project
Het originele artikel, "Deurspion met Raspberry Pi", verscheen in Elektor september 2016. U kunt het artikel gratis lezen tijdens de twee weken na het publiceren van dit bericht. Als u zelf aan een ontwerp begint, deel dan uw voortgang op het Elektor Labs platform!
Redactionele opmerking: Dit artikel verscheen oorspronkelijk in een editie van Elektor uit 2016. Omdat het project al wat ouder is, kunnen sommige onderdelen mogelijk niet meer verkrijgbaar zijn. Toch denken we dat deze schakeling u zal laten glimlachen en u zal inspireren om binnenkort een creatief project te starten.
Discussie (0 opmerking(en))