Schakeling: tester voor AC-voedingsadapters
op
Het project
Een tijdje terug keek Charles Hansen naar een doos vol mysterieuze AC-voedingen – van die dingen die je spaart op rommelmarkten of die je tegenkomt in oude lades. Sommige waren duidelijk gelabeld, andere hadden versleten of ontbrekende stickers, en allemaal stelden ze dezelfde vraag: Wat leveren deze dingen eigenlijk? Om orde te scheppen in de chaos bouwde Chuck een compacte testopstelling die gangbare 2,5 mm en 2,1 mm barrelplugs en 3,5 mm tip-ring connectoren accepteert. Zo kun je in één oogopslag spanning, polariteit en meer zien. Plug bijvoorbeeld een 14V DC-adapter in, en de rode en groene leds van de tester laten direct zien of het DC is en welke kant de polariteit op gaat. Dit is een simpele en slimme oplossing voor het bekende ‘mysterie van de muurvoeding’.
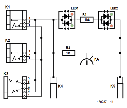
De schakeling
"De voeding wordt aangesloten op het juiste aansluitpunt K1, K2 of K3," merkte Hansen op. "De middenpennen van K1/K2 en de tip van K3 zijn verbonden met de anode van de rode led en de kathode van de groene led, beide in de tweekleurige led LED1. De buitenmantels van K1 en K2, en de ring van K3 zijn verbonden met de tweede tweekleurige led, LED2. LED1 en LED2 zijn met elkaar verbonden via R1, die de stroom door de leds beperkt. Als er AC wordt aangesloten, lichten beide leds fel oranje/geel op."
De tester heeft banaanbussen om een belastingsweerstand aan te sluiten, zodat u kunt controleren hoe een voeding zich gedraagt onder belasting — meestal ongeveer 95 % van de spanning zonder belasting, hoewel de resultaten kunnen variëren. Een BNC-connector maakt het mogelijk de uitgangsspanning veilig te meten, met een ingebouwde serieweerstand om uw meter te beschermen als u vergeet het juiste bereik te kiezen. Voorzichtig gebruikende ontwikkelaars hebben deze beveiliging misschien niet nodig, maar het is altijd slim om te beginnen met een hoog spanningsbereik en dan naar beneden te schakelen. Als u de banaanbussen extern monteert, houd dan 0,25 inch afstand aan voor standaard dubbele banaanstekers.
De AC/AC & AC/DC netvoedingstester in Elektor
Het oorspronkelijke artikel, “AC/AC & AC/DC netvoedingstester”, verscheen in Elektor in maart 2014. U kunt het artikel gratis lezen gedurende de twee weken na publicatie van dit bericht. Veel leesplezier!Noot van de redactie: Dit artikel verscheen voor het eerst in 2014 in Elektor. Door de leeftijd van het project zijn sommige onderdelen mogelijk niet meer eenvoudig te krijgen. Toch denken we dat het ontwerp u zal inspireren om zelf aan de slag te gaan.

Discussie (0 opmerking(en))