Ontdek hoe een Raspberry Pi, een DDS-module en een ADC samen een krachtige HF-sweepgenerator vormen voor HF-tests. Deze compacte opstelling laat u frequentiesweeps genereren en de respons van een schakeling eenvoudig visualiseren.
Ontdek hoe een Raspberry Pi, een DDS-module en een ADC samenkomen om een krachtige doe-het-zelf sweepgenerator voor HF-testen te vormen. Met deze compacte opstelling kun je frequentiebereiken genereren en eenvoudig de respons van schakelingen visualiseren.
De schakeling
Een sweepgenerator (of “wobbulator”) is een testinstrument dat samen met een oscilloscoop wordt gebruikt om de frequentierespons van een HF-schakeling te meten. Hij werkt door een spanningsgestuurde oscillator (VCO) aan te sturen met een ramp- of zaagtandgolf, waardoor de uitgangsfrequentie over een vooraf ingesteld bereik wordt gezweept. De resulterende respons van de te testen schakeling (meestal een filter of versterker) verschijnt op de oscilloscoop. Sweepgeneratoren worden vaak gebruikt voor het afregelen van de middenfrequent-trappen (MF) van superheterodyne ontvangers, maar zijn ook handig voor het beoordelen van de frequentierespons van HF-filters en andere schakelingen.
De door een Raspberry Pi aangestuurde HF-sweepgenerator. De DDS-module is een kant-en-klaar exemplaar.
“Vroeger was een wobbulator een complex, duur, volledig analoog apparaat (zelfs met buizen), maar tegenwoordig hebben we kleine computers zoals de RPi die het werk met eenvoudigere hardware en de luxe van aanpasbare software doen,” aldus de ontwikkelaar Tom Herbison.
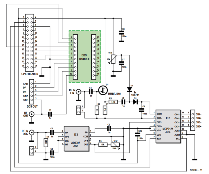
Het project bestaat uit een Raspberry Pi, een DDS-module en een ADC-module.
Dit project bootst de functies van een traditionele sweepgenerator na door een Raspberry Pi te combineren met een Direct Digital Synthesizer (DDS)-module en een analoog-naar-digitaalomzetter (ADC). De GPIO-interface van de Raspberry Pi wordt geprogrammeerd om de DDS-module aan te sturen voor het genereren van het sweep-signaal en om met de ADC-module te communiceren om de respons van de schakeling te meten. Een grafische gebruikersinterface (GUI) stelt de gebruiker in staat om de sweep-parameters in te stellen en de meetresultaten te bekijken.
De DDS-module is gebaseerd op de AD9850 frequentiesynthesizer-chip.
"Net als de MCP3424 werkt de DDS-module onder regie van de RPi, die alle commando’s verzorgt voor het gesweept HF-uitgangssignaal op de RF-OUT-aansluiting," aldus Herbison. "Dit signaal wordt aangeboden aan de te testen schakeling, terwijl de uitgang van de te testen schakeling naar de LOG- of LIN-ingang gaat, afhankelijk van de toepassing."
De Raspberry Pi wobbulator in Elektor
Het originele artikel, “Raspberry Pi wobbulator”, verscheen in Elektor juli/augustus 2015. Je kunt het artikel gratis lezen gedurende de twee weken na publicatie van dit bericht. Veel leesplezier!
Redactionele noot: Dit artikel verscheen voor het eerst in een editie van Elektor uit 2015. Gezien de leeftijd van het project zijn sommige componenten mogelijk niet meer makkelijk verkrijgbaar. Toch denken we dat het ontwerp je zal inspireren om zelf snel aan de slag te gaan.
Discussie (0 opmerking(en))