Schakeling: Doe het zelf milliohmmeter
03 november 2025
op
op
De meeste multimeters hebben moeite met het nauwkeurig meten van hele lage weerstanden, maar dit precisie-instrument vult dat gat op. Ontworpen om van 100 μΩ tot 200 Ω te meten over vier bereiken met 2% nauwkeurigheid, gebruikt het slimme stroomregeling en geïsoleerde voedingsschakelingen voor betrouwbare resultaten.
Het P1-bereik is het gevoeligst, loopt van 0,1 tot 200 mΩ, en levert een teststroom van 1 A aan het te meten onderdeel (DUT). Houd de metingen op dit bereik kort om batterij te besparen, en zorg altijd dat de DUT minstens 1 A aankan.
"Eerst de trimmers kalibreren om de stroomwaarden in de tabel te krijgen, door de DC-stroom direct te meten met een multimeter op de uitgangen," merkt de ontwerper Stefano Purchiaroni op. "Om de extra weerstand van de meetdraden te minimaliseren, soldeert u de meetdraden direct aan de krokodillenklemmen, zodat de weerstand van de stroomtoevoerkabels niet wordt mee gemeten bij het component. Let op dat het LCD altijd de som toont van de weerstand van het te meten onderdeel en die van de meetdraden. Die laatste moet u aftrekken van de gemeten waarden, zeker bij het P1-bereik."
De bijgevoegde afbeeldingen laten een mogelijke veroboard-layout zien (gele vlakken geven onderbroken banen aan) en een aantal foto's van het prototype.
Editor's Note: Dit artikel verscheen eerst in een editie van Elektor in 2022. Gezien de leeftijd van het project zijn sommige componenten mogelijk niet meer verkrijgbaar. Maar we denken dat het u inspireert om binnenkort met een creatief project te starten.
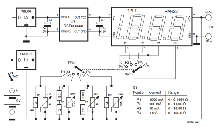
Milliohmmeter schakeling
Deze handige milliohmmeter werkt op vier AAA-lithiumbatterijen, gekozen vanwege hun lage interne weerstand. Het bovenste deel van de schakeling voedt een standaard 3,5-cijfer LCD-paneelmeter (DPL1) met een 199,9 mV full-scale ingang. Omdat deze module een geïsoleerde 9 V-voeding nodig heeft, gebruikt de schakeling een lineaire spanningsregelaar (U2) om het batterijpack op 5 V te stabiliseren, die daarna wordt opgehoogd naar 9 V door een geïsoleerde DC-DC-converter (U3, type DCP020509 van Texas Instruments). De ingang van de converter mag niet meer dan 5,5 V zijn, daarom is een 78L05-regelaar toegevoegd.
Het onderste deel van de schakeling genereert een constante stroom met een LM317 die is ingesteld als stroombron. De stroom is instelbaar via een weerstandsnetwerk dat bestuurd wordt door een vierstandenschakelaar met twee lagen (SW1). Voor R1 is een 2 W weerstand nodig. Het tweede dek van SW1 verandert het decimaalpunt op het display afhankelijk van het geselecteerde meetbereik.
Het P1-bereik is het gevoeligst, loopt van 0,1 tot 200 mΩ, en levert een teststroom van 1 A aan het te meten onderdeel (DUT). Houd de metingen op dit bereik kort om batterij te besparen, en zorg altijd dat de DUT minstens 1 A aankan.

"Eerst de trimmers kalibreren om de stroomwaarden in de tabel te krijgen, door de DC-stroom direct te meten met een multimeter op de uitgangen," merkt de ontwerper Stefano Purchiaroni op. "Om de extra weerstand van de meetdraden te minimaliseren, soldeert u de meetdraden direct aan de krokodillenklemmen, zodat de weerstand van de stroomtoevoerkabels niet wordt mee gemeten bij het component. Let op dat het LCD altijd de som toont van de weerstand van het te meten onderdeel en die van de meetdraden. Die laatste moet u aftrekken van de gemeten waarden, zeker bij het P1-bereik."
De bijgevoegde afbeeldingen laten een mogelijke veroboard-layout zien (gele vlakken geven onderbroken banen aan) en een aantal foto's van het prototype.

Het originele project
Het originele artikel, "Milliohm Meter", verscheen in Elektor Summer Circuits 2022. U kunt het artikel gratis lezen tijdens de twee weken na publicatie van deze post. Als u aan het ontwerp begint, deel dan gerust uw voortgang op het Elektor Labs platform!Editor's Note: Dit artikel verscheen eerst in een editie van Elektor in 2022. Gezien de leeftijd van het project zijn sommige componenten mogelijk niet meer verkrijgbaar. Maar we denken dat het u inspireert om binnenkort met een creatief project te starten.
Inschrijven
Schrijf u in voor tag alert e-mails over Circuits & Circuit Design! Read full article
Hide full article

Discussie (0 opmerking(en))