Elektor Circuit Special 2024

We zijn verheugd om u weer een Elektor Circuit Special editie te kunnen presenteren! De afgelopen zomeredities waren hits, die zowel door trouwe lezers als nieuwe geïnteresseerden zeer werden gewaardeerd. Nu zijn we terug met de Elektor Circuit Special 2024, waarin de charme van het verleden wordt gecombineerd met de creatieve innovaties van de toekomst. Deze editie bevat innovatieve doe-het-zelf elektronicaprojecten van vaardige technici en makers van over de hele wereld. We blijven hierin trouw aan onze roots, en richten ons op rechttoe rechtaan schakelingen en fantasievolle projecten, met voor de goede orde ook een vleugje nostalgie.
 
 
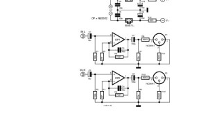
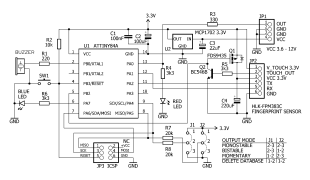
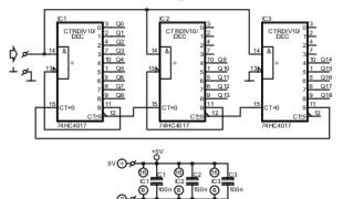
De editie van 2024 telt 132 pagina's en heeft maar liefst 40 projecten en schakelingen, wat betekent dat er voor elk wat wils is, of u nu een liefhebber bent van analoog, een expert op het gebied van draadloze apps, of een liefhebber van audio-elektronica. Enkele van de vele projecten zijn: een audio A/B-selector met versterkingsregeling, een universele infrarood afstandsbediening, een DC-DC 3-A omvormer, een kleine klasse-A audioversterker met stroomuitgang, en een vingerafdruk sensorschakelaar. En mochten al die projecten nog niet genoeg zijn om u de komende weken aangenaam bezig te houden: we bieden ook een Bonus Editie boordevol gratis extra projecten en artikelen. Veel plezier!
 

Artikelen, Projectfiles & Downloads

De extra dikke Elektor Circuit Special 2024 bevat meer dan 40 schakelingen en projecten, waarvan er vele worden geleverd met handige projectbestanden en downloads (bijv. code- en PCB-bestanden). Op deze webpagina bieden we links naar allerlei nuttige bestanden die horen bij de artikelen en projecten in het nummer. Let op: Als u uw eigen projecten maakt, zorg er dan voor dat u uw innovaties deelt op het Elektor Labs-platform.
visual-download.jpg

Elektor Lab Talk - volg de Livestream!

 
Copy of Copy of Article Image Template.png

 

Bent u er klaar voor om u te verdiepen in schakelingen, tools, technische tips, en meer? Schuif dan aan bij de redacteuren en technici van Elektor voor een live Elektor Lab Talk op 29 augustus 2024 om 16.00 uur! Onder leiding van Jens Nickel, Brian Tristam Williams en Saad Imtiaz duiken we in veel van de boeiende projecten van de Elektor Circuit Special 2024 en beantwoorden we uw vragen en opmerkingen. Tijdens de livestream geven we ook een aantal fantastische prijzen weg, waaronder enkele klassieke Elektor schakelingen!
 

 

Jens Nickel is de hoofdredacteur van Elektor. Behalve van programmeren houdt hij ook van elektronische muziek en videoproductie. Neem contact met hem op via editor@elektor.com. Brian Tristam Williams is redacteur en content creator, en heeft al zijn hele leven een passie voor computers en elektronica sinds hij op 10-jarige leeftijd zijn eerste "microcomputer" kreeg. Volg hem op X via @briantw. Saad Imtiaz is senior engineer bij Elektor met een grote interesse in IoT, embedded systems en automatisering.

Elektor E-Zine

Professionele technici, serieuze elektronicamakers en topstudenten van over de hele wereld lezen Elektor's wekelijkse E-zine, met elektronicaprojecten, technische inzichten, nieuws over nieuwe producten, diepte-interviews, en nog veel meer. We hebben voor elk wat wils, zowel voor nieuwkomers die in hun vrije tijd op zoek zijn naar leuke doe-het-zelf-elektronicaprojecten, als ook voor professionele technici die geïnteresseerd zijn in embedded programmeren. Abonneer u op de gratis E-Zine om al deze interessante content rechtstreeks in uw inbox te ontvangen!

 

 

visuals-ezine-EN&NL.jpg