Schakeling: Doe-het-zelf stralingsmeter op basis van een PIC-microcontroller
op
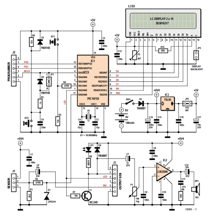
De schakeling
In mei 2014 introduceerde Elektor een vernieuwd ontwerp voor een doe-het-zelf stralingsmeter die nauwkeurige metingen combineert met eenvoudige bouw. Centraal in het project zit de PIC16F88 microcontroller, aangestuurd door een 19,6608 MHz kristal. Deze frequentie, samen met de interne prescaler van de PIC, zorgt ervoor dat het systeem een nauwkeurige real-time klok kan bijhouden, tot op de seconde nauwkeurig.
De stralingssensor en de bijbehorende schakeling zitten in een lucht- en lichtdicht kastje. Een dun schijfje aluminiumfolie dient als detectievenster, vastgezet met een schroefring zodat je die makkelijk kunt vervangen. Door dit slimme ontwerp kun je als experiment verschillende foliematerialen en diktes proberen – zelfs gewone huishoudfolie – en prestaties vergelijken.
Het display
Het lcd-scherm toont de meetresultaten op een duidelijke, gebruiksvriendelijke manier. De bovenste regel wisselt tussen stralingsniveaus: L (laag), M (middel) en H (hoog), en geeft de gemeten pulsen weer zoals een klassieke Geiger-Müller teller. Elke gedetecteerde puls zorgt ook voor een korte flits van een rode LED en hoorbare “klik” uit de speaker. Het volume kun je instellen met potentiometer P1.
en handmatig instellen (c) van de drempelwaarden.
De onderste regel van het scherm toont de verstreken tijd sinds het apparaat is aangezet en het aantal "lage" (L) pulsen per minuut. Deze waarden worden live bijgewerkt: pulsen en tijd elke seconde, en het aantal pulsen per minuut elke 60 seconden.
Draagbaarheid en nauwkeurigheid
Het apparaat werkt op een simpele 9 V-voeding met ingebouwde regelaar, en is dus zowel draagbaar als nauwkeurig. Door het toegankelijke ontwerp is dit een top project voor elektronicaliefhebbers die willen meten met straling, willen experimenteren met sensoren of met microcontrollers aan de slag willen.
Door de combinatie van een nauwkeurige klok, real-time display en verwisselbaar sensorvenster is deze PIC-stralingsmeter een goed voorbeeld van een praktisch, leerzaam en super-hackbaar Elektor-project. Veel plezier!
Het originele project
Het oorspronkelijke artikel “Elektor Radiation Meter using PIC” verscheen in Elektor, mei 2014. Je kunt het artikel gratis lezen gedurende twee weken na publicatie van deze post. Heb je zelf een schakeling of stralingsmeter gemaakt? Deel dan je voortgang op het Elektor Labs platform!
Redactie: Dit artikel verscheen oorspronkelijk in een Elektor uitgave uit 2014. Omdat het project al wat ouder is, zijn sommige onderdelen of producten misschien niet meer leverbaar en kunnen bepaalde ontwerptechnieken wat ouderwets lijken. Toch denken we dat dit project je inspireert om zelf aan de slag te gaan met nieuwe elektronica-projecten.

Discussie (0 opmerking(en))