Zekeringsbewaker: Een zekering bewaken met een knipperende LED
op
Meten is goed; signaleren is beter! Deze schakeling met slechts vier componenten geeft met een actief knipperende LED aan wanneer een netzekering het heeft begeven.
De Zekeringsbewaker
De term "schakeling" is bijna overdreven voor dit apparaatje met vier componenten. De zekeringsbewaker is parallel aangesloten op een netzekering. Als de zekering in orde is, is hierover geen spanning aanwezig en is alles in orde. Als de zekering echter geactiveerd of "doorgebrand" is, staat bijna de volledige netspanning van 230 V≈ via de aangesloten belasting op de bewakingselektronica. Het enige dat dan nog nodig is om een gewone knipperende LED te laten oplichten, is een beetje stroom- of spanningsbegrenzing en gelijkrichting.
Stroombegrenzing
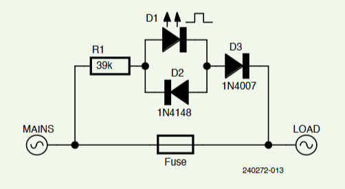
Figuur 1 toont de schakeling: Wanneer de zekering wordt geactiveerd, staat de netspanning op R1 en de kathode van D3. R1 heeft een dubbele functie: Enerzijds beperkt zijn weerstand de aanwezige stroom. Aan de andere kant beperkt deze ook indirect de spanningsval over de LED. Als de stroom klein genoeg is, blijft de spanningsval over D1 ook klein genoeg (in het 5 V-bereik), wat gunstig is voor de knipperende LED en de geïntegreerde elektronica. Een expliciete spanningsbegrenzer is daarom niet nodig. Diode D2, die antiparallel staat aan D1, verlaagt de potentiële sperspanning tot maximaal -0,7 V, wat niet gevaarlijk is voor D1.
In wezen zou de schakeling op dit punt compleet zijn en zouden drie componenten voldoende zijn voor de functie als zekeringsbewaker. Met D3 zorgt een andere diode er echter voor dat slechts halve golven stroom door R1 veroorzaken, zodat slechts de helft van het vermogensverlies optreedt. Bij een spanning van 230 V≈ vloeit er slechts ongeveer 3 mAeff, wat resulteert in een dissipatie van iets minder dan 0,7 W. Daarom is een 1 W versie die geschikt is voor netspanning voldoende voor R1.
Opbouw
De zekeringsbewaker kan eenvoudig worden opgebouwd op een stukje gaatjesprint (Figuren 2 en 3). Volgens de IPC2221-norm zijn de afstanden tussen de strips in principe voldoende voor netspanning, althans in een droge omgeving. Toch zouden de gebieden waartussen netspanning aanwezig is idealiter grotere afstanden in de orde van ≥2 mm moeten hebben. Om dit te bereiken kan het nodig zijn om stukjes van de geleiderbanen te verwijderen.
Figuur 3: "Bedrading" op de achterkant van de gaatjesprint.
Zoals reeds vermeld, wordt de zekeringsbewaker parallel aangesloten op de te bewaken netzekering. Als een zekering doorbrandt, waardoor de stroom uitvalt, wordt de schakeling actief en de LED gaat knipperen. Rood of geel zijn geschikte LED-kleuren – een groene LED zou misleidend suggereren dat de zekering "goed" is. Pas op met netspanning: Aangezien de schakeling niet elektrisch geïsoleerd is van het lichtnet, moet deze zo geïnstalleerd worden dat aanraken onmogelijk is. Elektor wil niet graag lezers verliezen aan Zeus, die, zoals u weet, verantwoordelijk is voor bliksem!
Noot van de redactie: Dit artikel (240272-03) verschijnt in de Elektor Circuit Special 2025.
At Elektor, we publish clever and conversation-starting projects from engineers and makers around the world. The Fuse Guard is a great example — simple, effective, and clearly sparking debate! We appreciate that the author includes a clear mains voltage warning, and as always, we recommend working with caution and using components rated for the job. Safety always comes first. When we publish community projects, our goal is to inspire thinking and open discussion. We encourage everyone to engage critically, and to use the Discussion section to (kindly!) share thoughts, improvements, or safety tips. Let’s keep learning from each other and building cool stuff — safely. — The Elektor Editorial Team
Vragen of opmerkingen?
Heeft u vragen of opmerkingen over dit artikel of andere DIY Elektronica? Neem contact op met Elektor via editor@elektor.com.

Discussie (4 opmerking(en))