Elke laboratoriumvoeding heeft spannings- en stroomaflezingen nodig. Maar wat als uw display méér kan? Deze microcontrollergestuurde DC-vermogensmeter toont spanning, stroom, piekstroom, uitgangsvermogen, lading in ampère-uren en energie in kilowattuur.
Elke labvoeding heeft spannings- en stroomaflezingen nodig. Maar wat als je display veel meer zou kunnen? Deze compacte module op basis van een microcontroller toont niet alleen spanning en stroom digitaal en met een balkgrafiek, maar houdt ook piekstroom, uitgangs-vermogen, lading in ampère-uren en zelfs energie in kilowattuur bij. Met programmeerbare timers, temperatuurcontrole en firmware-updates voor toekomstige functies verandert deze DC-energiemeter een eenvoudige voeding in een slim en veelzijdig hulpmiddel.
Veelzijdige dc-energiemeter
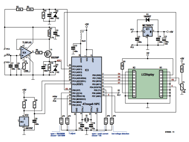
Oliver Micic presenteerde dit ontwerp van een DC-energiemeter in de januari 2008 editie van Elektor. Het schema gebruikte een ATmega28-16PC. Omdat er destijds geen SMD’s werden gebruikt in de schakeling, was het monteren op de kleine printplaat vrij eenvoudig.
De module gebruikte een DIP-LCD met pinheaders aan beide kanten, die in een printplaat met busheaders werd gestoken. Omdat het doel was SMD-componenten te vermijden, werd het schema zo simpel mogelijk gehouden zodat alle elektronica onder het LCD paste.
Een microcontroller met een toefje signaalconditionering er omheen.
“Als je de module de eerste keer inschakelt, word je gevraagd om de spanning te kalibreren als de nauwkeurigheid van de weerstanden R2–R4 (1% types) niet voldoende is,” legde Micic uit.
“Om dit te doen, sluit je een multimeter aan op de uitgang en een drukknop op JP1, en druk je herhaaldelijk op de knop tot de waarde op het LCD gelijk is aan die op de multimeter. Dit moet gebeuren bij 13,8 V zonder belasting. Nadat je de spanning hebt ingesteld, wordt de kalibratie na 10 seconden geaccepteerd en opgeslagen in het EEPROM. Als je dit proces opnieuw wilt doen, houd de drukknop ingedrukt tijdens het inschakelen, totdat het bericht op het LCD verschijnt. Vervolgens moet je P2 instellen voor de stroommeting (symmetrie-instelling van opamp IC4). Hiervoor sluit je een belasting aan op de voeding (of batterij), meet je de stroom met een multimeter en stel je P2 zo af dat dezelfde waarde op het LCD verschijnt.”
Componentenzijde van de prototypeprint.
Technische Gegevens
Spanningsbereik: 0–30 V
Maximale stroom: 5 A of 50 A
Piekstroom (Ip)
Vermogensbereik: 1–999 W
Meetbereik vermogen (afhankelijk van JP1): 150 W / 800 W
Elektrische energie in kWh
Batterijlading in Ah
Bedrijfstijd in uren of minuten (in dagen na 1 week)
Balkgrafiekweergave voor vermogen
Geselecteerde weergaveoptie opgeslagen in EEPROM
Jumper-selecteerbare Ah/Ip-weergave; selectie ook mogelijk tijdens gebruik
LCD-achtergrondverlichting
Optionele temperatuursensor met softwarekalibratie
Sandwichmodule (LCD en printplaat)
Firmwareversies beschikbaar voor 2×16 en 4×20 LCD-modules
Weergave van de DC-energiemeter
Het originele project
Het originele artikel “Veelzijdige DC-energiemeter” verscheen in Elektor in januari 2008. Je kunt het artikel raadplegen gratis gedurende de twee weken na de publicatie van dit bericht. Als je een vergelijkbare schakeling ontwikkelt, overweeg dan om je voortgang te delen op het Elektor Labs-platform!
Noot van de redactie: Dit artikel verscheen voor het eerst in een uitgave van Elektor in 2008. Gezien de leeftijd van het project zijn sommige componenten of producten mogelijk niet meer verkrijgbaar, en kunnen de belangrijkste ontwerptechnieken wat verouderd lijken. We geloven echter dat het ontwerp je zal inspireren om in de toekomst nieuwe doe-het-zelf elektronicaprojecten te starten.
Inschrijven
Schrijf u in voor tag alert e-mails over Power & Energy!
Discussie (0 opmerking(en))