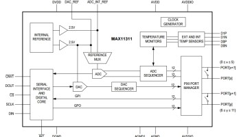
| Moe van het ontwerpen van een nieuwe kaart voor elke toepassing besluit u een universele signaalverwerkingskaart te ontwerpen die geschikt i...
| Moe van het ontwerpen van een nieuwe kaart voor elke toepassing besluit u een universele signaalverwerkingskaart te ontwerpen die geschikt i...
| Microchip komt met PIC18-processoren met Core Independant Peripherals. Met deze CIP’s kunnen ontwerpers bepaalde taken in hardware uitvoeren...
| Deze nieuwe info-poster, een gezamenlijke productie van Mouser Electronics en Elektor, kunt u gratis downloaden. Let op, dit aanbod is slech...
| Het kleine maar krachtige BBC micro:bit-board dat een paar maanden geleden met honderdduizenden tegelijk is uitgedeeld aan twaalfjarigen in...
| Intel heeft lang gestreden om de X86-technologie in verschillende mobiele apparaten te krijgen. Maar bij smartphone- en tabletfabrikanten kw...
| Als u het te ingewikkeld of te duur vindt om een van die prachtige ontwikkelkits aan te schaffen die tegenwoordig door vrijwel alle bedrijve...
| Jammer voor de Retrotronica-fans, dit betekent niet de terugkeer van de legendarische Acorn Atom die ons in het begin van de jaren 1980 prog...
| Een Raspberry-Pi-achtige miniatuur-single-board-computer met grote prestaties bij een lage prijs. In vergelijking met RPi Zero is de NEO kle...
| Het werd afgelopen maandag 18 juli 2016 bevestigd: ARM, het bedrijf dat intellectueel eigendom ontwikkelt en bestaat uit een briljante groe...
| Een team van Davis University in Californië heeft een processor ontwikkeld met 1000 kernen en 621 miljoen transistors. De verwerkingssnelhei...